Hoge precisie spuitgietmachine
K1850-SA
PREV PRODUCT:No previous article
NEXT PRODUCT:K1500-SA
| BESCHRIJVING | EENHEID | K1850-SA | ||||
| INTERNATIONALE MAATBEOORDELING | 22000 | |||||
| A | B | C | D | |||
| INJECTIE-EENHEID | Schroef diameTer | mm | 140 | 150 | 160 | 170 |
| Schroef L:D-verhoudinG | 23.6 | 22 | 20.6 | 19.4 | ||
| Schotvolume | cm3 | 11545 | 13254 | 15080 | 17024 | |
| Schotgewicht (PS) | g | 10506 | 12061 | 13723 | 15492 | |
| oz | 370.6 | 425.4 | 484.1 | 546.5 | ||
| Injectiedruk | Bar | 1913 | 1666 | 1464 | 1297 | |
| Injectiesnelheid | cm3/sec | 1525 | 1751 | 1992 | 2249 | |
| Plastificerend vermogen | g/sec | 191 | 225 | 241 | 258 | |
| Max. schroefsnelheid | omw/min | 111 | ||||
| KLEMEENHEID | Klemkracht | kN | 18500 | |||
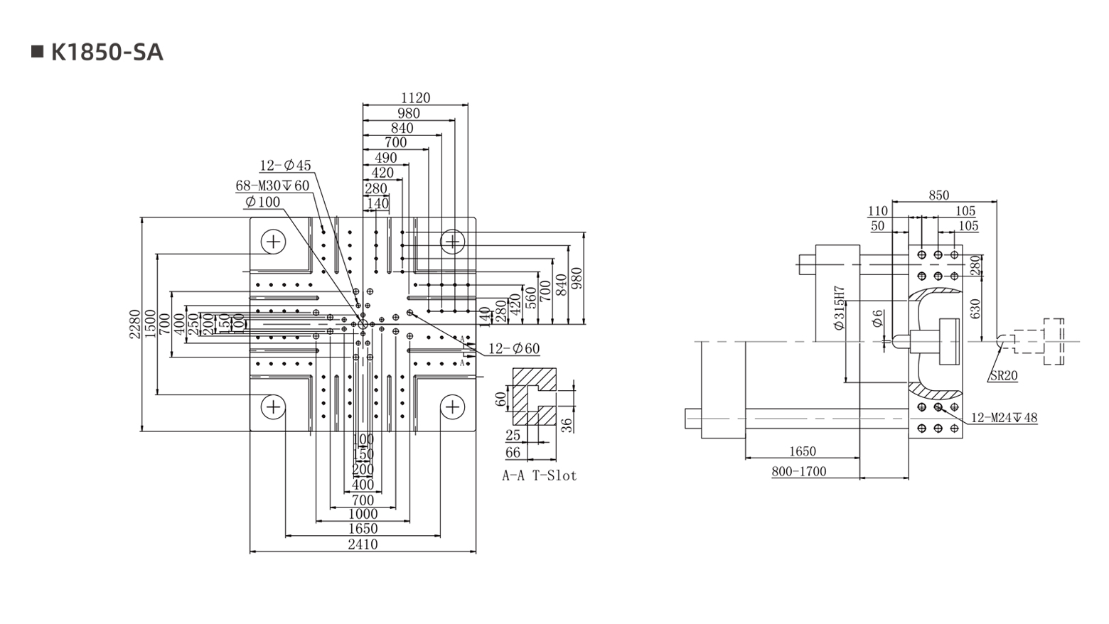
| Ruimte tussen trekstangen | mm | 1650x1500 | ||||
| Grootte van de glasplaten | mm | 2410x2280 | ||||
| Openingsslag | mm | 1650 | ||||
| Min.mdd hoogte | mm | 800 | ||||
| Max.vormhoogte | mm | 1700 | ||||
| Afstand tussen degels (daglicht) | mm | 3350 | ||||
| Uitwerperslag | mm | 400 | ||||
| Uitwerpkracht | kN | 430 | ||||
| Aantal uitwerpers | 25 | |||||
| VERMOGENSEENHEID | Systeemdruk | Bar | 175 | |||
| Pomp motor | kW | 42 54 54 54 | ||||
| Verwarmingscapaciteit | kW | 100 | ||||
| ALGEMEEN | Capaciteit olietank | L | 1500 | |||
| Machineafmetingen (LxBxH) | m*m*m | 15,6x4,6x5,2 | ||||
| Machine gewicht | t | 130 | ||||
| Capaciteit van de trechter | kg | 400 | ||||
| Nee | Componentconfiguratie | Merk | Plaats van herkomst | Configuratiebereik |
| 1 | controleur | Taiwan Techmation (AK628) 8-inch aluminium frezen | Taiwan | K110-230 |
| 2 | controleur | Taiwan Techmation(TECH1)8-inch aluminium frezen | Taiwan | K270-460 |
| 3 | controleur | Taiwan Techmation(TECH2)12 inch aluminium frezen | Taiwan | K530-800 |
| 4 | Servo-oliepomp | VS HIGH-TECH | VERENIGDE STATEN VAN AMERIKA | Volledig bereik |
| 5 | servomotor | FASE | Italië | Volledig bereik |
| 6 | servo-aandrijving | FASE | Italië | Volledig bereik |
| 7 | Servo-kit | Duitsland Rexroth | Duitsland | Optioneel |
| 8 | Omkeerklep | Japan YUKEN | Taiwan | Volledig bereik |
| 9 | Omkeerklep | VS VICKERS | VERENIGDE STATEN VAN AMERIKA | Optioneel |
| 10 | Pre-kunststof motor | DANDUN | China | Volledig bereik |
| 11 | Motor voor het aanpassen van de mal | DANDUN | China | Volledig bereik |
| 12 | Afdichtingselement | U.KHALLITE | Brittannië | Volledig bereik |
| 13 | smeersysteem | HERG | China | Volledig bereik |
| 14 | Zekering | SCHNEIDER ELECTRIC | Frankrijk | Volledig bereik |
| 15 | lucht schakelaar | SCHNEIDER ELECTRIC | Frankrijk | Volledig bereik |
| 16 | Elektronische liniaal | Bonnie | VERENIGDE STATEN VAN AMERIKA | Volledig bereik |
| 17 | Elektronische liniaal | NOVOtek | Duitsland | Optioneel |
| 18 | Solid state relais | FOTEK | Taiwan | Volledig bereik |
| 19 | Reisschakelaar | SCHNEIDER ELECTRIC | Frankrijk | Volledig bereik |
| 20 | Nabijheidsschakelaar | FOTEK | Taiwan | Volledig bereik |
| 21 | Schroef vat | TONDA | China | Volledig assortiment |
Hoge stEnaard fabriek
Ningbo KSM Machinery Manufacturing Co., Ltd. is een samenwerking met Italië, gespecialiseerd in hoogwaardige kunststof in de productie van hoogwaardige kunststofvormmachines. Ons bedrijf is gevestigd in het Ningbo Beilun Xing Ao Industrial Park. We hebben een aantal R&D-personeel en werken samen met een groep hightech ondernemingen. Als professional China K1850-SA-Hoge precisie spuitgietmachine leveranciers En OEM/ODM K1850-SA-Hoge precisie spuitgietmachine bedrijfHet produceert voornamelijk spuitgietmachines met hoge precisie met een klemkrachtbereik van 110T tot 1850T. De producten hebben een hoge stijfheidsstructuur en zijn uitgerust met geïmporteerde hydraulische en elektrische elementen, een gebruikte schroef met mengkop om uitstekende plastificerende prestaties te hebben en geschikt te zijn voor verschillende technische kunststofspuitgieten en de speciale bestelling van de gebruiker is beschikbaar. Sinds de oprichting van het bedrijf heeft het altijd aandacht besteed aan de reputatie van het bedrijf, het uitvoeren van wetenschappelijke, management met rationele ontwerpen, berust op hoogwaardige pre-sale, verkoop en after-sales diensten om het vertrouwen en de goedkeuring van het grote aantal gebruikers te winnen. Wij houden ons aan het motto "eerlijk, blijf verbeteren, leg de nadruk op kwaliteit, versla nooit uw inspanningen". Oprecht welkom vrienden uit alle wask voor begeleiding. Het bedrijf beschikt over een onderzoeks- en ontwikkelingscentrum met een sterke ontwikkelingskracht. Tegelijkertijd werkt het samen met binnenlandse universiteiten en hogescholen om injectie- en kunststofproductieapparatuur en spuitgietmachines te ontwikkelen en te onderzoeken. Het bedrijf beschikt over geavanceerde slangtestapparatuur en experimentele apparatuur. De afgelopen jaren heeft het R&D-centrum veel successen geboekt op het gebied van spuitgietmachines en kunststofapparatuur, het vulkanisatieproces van rubber en de ontwikkeling van formuleringen. Nodig klanten in binnen- en buitenland oprecht uit om onze fabriek te bezoeken en kijk uit naar uw langetermijnbedrijf om een mooie toekomst voor u te creëren!
Waarom voor ons kiezen
We hebben ons eigen testlaboratorium en geavanceerde en complete inspectieapparatuur, die de kwaliteit van de producten die door onze apparatuur worden geproduceerd, kunnen garanderen.
Onze jaarlijkse productiecapaciteit bedraagt meer dan 500 spuitgietmachines.
Wij richten ons op het ontwikkelen van hoogwaardige producten voor de topmarkten. Onze producten zijn in overeenstemming met internationale normen en worden voornamelijk geëxporteerd naar Europa, Amerika, Japan en andere bestemmingen over de hele wereld.
We zijn slechts 15 kilometer verwijderd van de haven van Ningbo, het is erg handig en efficiënt om goederen naar andere landen te verzenden.
Garandeer hoge kwaliteit met onze expertise
Authentieke betrouwbare kwaliteit valt uiteraard op en vreest geen vergelijking.
U voorzien van het laatste bedrijfs- en branchenieuws
1. Basisconcept van mallen met meerdere holtes Mallen met meerdere holtes verwijzen naar het p...
1. Energie-efficiëntieprestaties van PET-spuitgietmachines PET-spuitgietmachines worden ...
Als sleuteluitrusting in de moderne industriële productie is de automatisering van PET-spuitg...
Bij het spuitgietproces speelt het temperatuurcontrolesysteem van de matrijs een cruciale rol. De...
Kunststof spuitgietmachines spelen een cruciale rol in de moderne industrie. Ze kunnen op e...
In de moderne productie zijn matrijzen een onmisbaar en belangrijk onderdeel van het spuitgietpro...